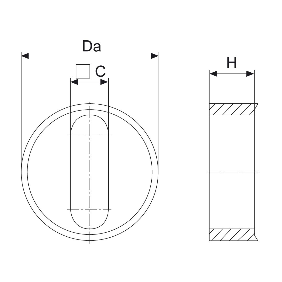
Packning för flatkabel Metrisk
Packning avsedd för flatkabel.
Avsedd för ”PERFECT” plast- och metallförskruvningar i metriskt utförande.
Passar till förskruvningar i följande E-nummer serier.
Polyamid: 1476103-, 05-09, 1476113-18, 1476123-29, 1475903-08, 1476163-68, 1475913-18, 1476172-77, 1476262-64
Förnicklad mässing: 1476003-08, 1476013-18, 1475703-08, 1473203-09, 1473213-19
Rostfritt stål: 1475056-61
Skyddsklass:
IP66 om kabelns yttre dimensioner matchar packningens mått "C".
IP54 för kabeldimensioner mellan "C" & "C min" i tabellen nedan.
| Artikel | Polyamid "C min" | Förnicklad mässing / Rostfritt stål "C min" |
| 1466623 | 2 x 8 | 2 x 9 |
| 1466624 | 2 x 10 | 2 x 11 |
| 1466625 | 3 x 12 | 3 x 13 |
| 1466626 | 3 x 19 | 3 x 17 |
| 1466627 | 4 x 23 | 4 x 24 |
| 1466628 | 6 x 32 | 5 x 33 |
Material:
TPE TPS
Temperaturområde:
-30°C....+100°C
Färg:
Svart RAL 9005
Halogenfri:
Ja